Velg løsning og oppgi mål
Vår mest ekslusive dusjløsning. Med hengsler og veggfeste får du montert dusjdør og glassfelt rett på vegg og opp fra gulv, noe som gir et svevende, minimalistisk og stilrent uttrykk. Dusjdøre og glassfelt kan kombineres i forskjellige størrelser, alt etter hva som passer din løsning best.
- Høyde 200cm
- 8 mm herdet sikkerhetsglass
- Nanotech behandlet glass
- Magnetlist i PVC
Emil har begrenset justeringsmuligheter mot vegg, men vil alltid kunne monteres så sant veggens toleranseklasse er i henhold til normalkrav for innervegger angitt i NS3420-1 (3mm helling pr. høydemeter).
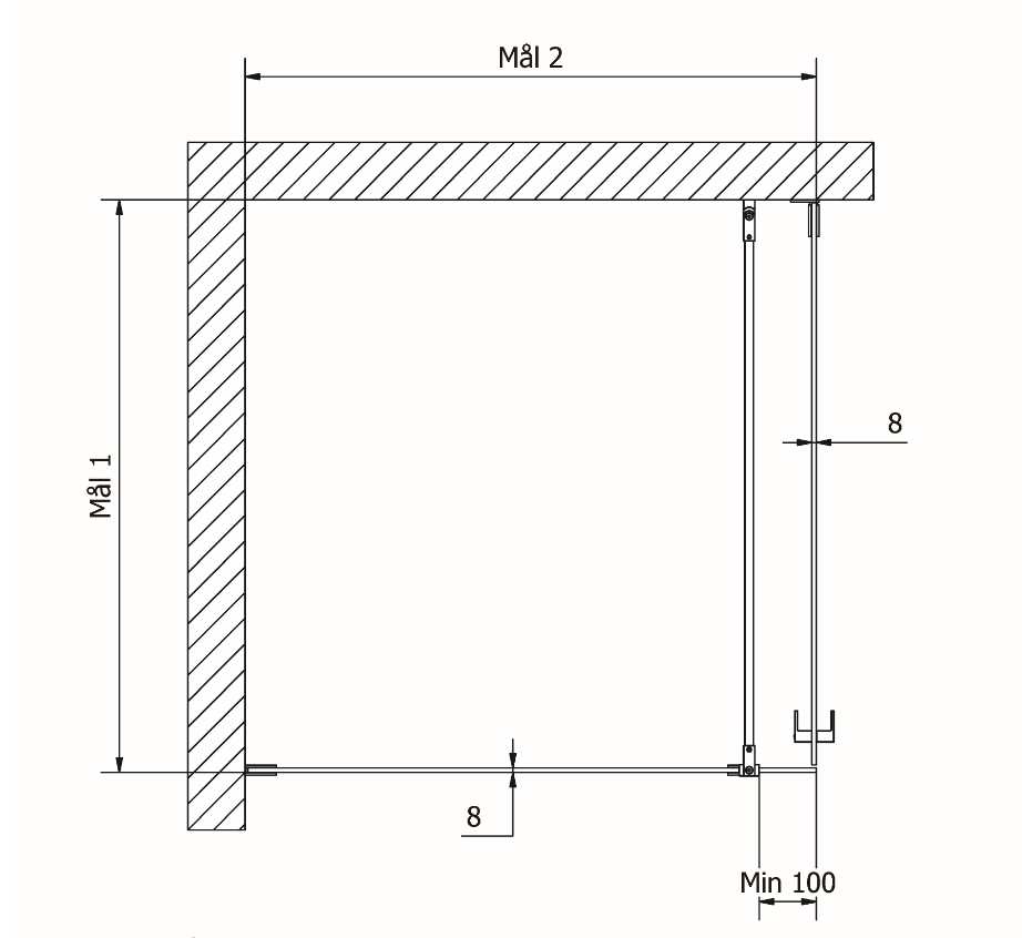
I denne kalkulatoren er målene oppgitt fra hjørne til ytterkant av glass.
Usikker? Ta gjerne kontakt med oss.